低功能Δ-ΣADC适用于需要宽动态范围和大量无噪声位的低功耗应用。使用此ADC,您可以使用公式1和2计算电路的温度分辨率:
R TLSB =(V REF ×(T CMAX - T CMIN))/(FS×(V RTMAX - V RTMIN)) (公式1)
R TNFR =(V REF ×(T CMAX - T CMIN))/(NFR×(V RTMAX - V RTMIN)) (公式2)
其中R TLSB是1 LSB的PRTD分辨率; R TNFR是PRTD无噪声分辨率(NFR); V REF是参考电压; T °CMAX是最大测量温度; T °CMIN是最低测量温度; V RTMAX是最大测量温度下的PRTD压降; V RTMIN是测量温度下的PRTD压降; FS是MAX11200在单端配置(2 23 -1)时的ADC满量程代码; 和NFR是低功能Δ-ΣADC在单端配置中的无噪声分辨率(2 20 -1,10sps)。
表1列出了使用公式1和2测量PTS1206-100Ω和PTS1206-1000Ω的测量分辨率。
表1.温度测量分辨率
|
V REF |
T C. |
R T 100 |
R T 1000 |
R A(100) |
R A(1000) |
R TLSB(100) |
R TLSB(1000) |
R TNFR(100) |
R TNFR(1000) |
|
(V) |
(C) |
(Ω) |
(Ω) |
(Ω) |
(Ω) |
(℃/ LSB) |
(℃/ LSB) |
(℃/ NFR) |
(℃/ NFR) |
|
3 |
-55 |
78.32 |
783.19 |
8200 |
27000 |
|
|
|
|
|
3 |
0 |
100 |
1000 |
8200 |
27000 |
0.00317 |
0.000926 |
0.021 |
0.0073 |
|
3 |
20 |
107.79 |
1077.9 |
8200 |
27000 |
|
|
|
|
|
3 |
155 |
159.19 |
1591.91 |
8200 |
27000 |
|
|
|
|
表1提供了在-55°C至+ 155°C温度范围内的°C / LSB误差和°C / NFR误差的计算值。无噪声分辨率(NFR)表示ADC可以区分的最小温度值。R TNFR 1000值为0.007°C / NFR,在给定范围内容易使温度分辨率优于0.05°C,这对于大多数工业和医疗应用来说已经足够了。
考虑此应用的ADC要求的另一种方法是查看不同温度点的预期电压电平,如表2所示。最后一行显示PRTD100和PRTD1000器件的差分电压输出范围。右侧的方程组计算低功能Δ-ΣADC产生的无噪声代码数量。
表2.下图中ADC的温度测量范围
|
T C(°C) |
V RT(mV) |
V RT(mV) |
|
|
PRTD100 |
PRTD1000 |
|
-55 |
28.4 |
84.6 |
|
0 |
36.1 |
107.1 |
|
20 |
38.9 |
115.2 |
|
155 |
57.1 |
167 |
|
210 |
28.75 |
82.46 |
无噪声代码=(V MAX - V MIN)/输入参考噪声
无噪声代码= 82.46mV /2.86μVP-P 无
噪声代码= 28,822代码
温度(accy)= 210°C / 28.82K
请注意,PRTD应用中的输出信号总范围约为82mV。MAX11200具有极低的输入参考噪声,功率为570nV(10sps),使应用在210°C范围内具有0.007°C的无噪声分辨率。

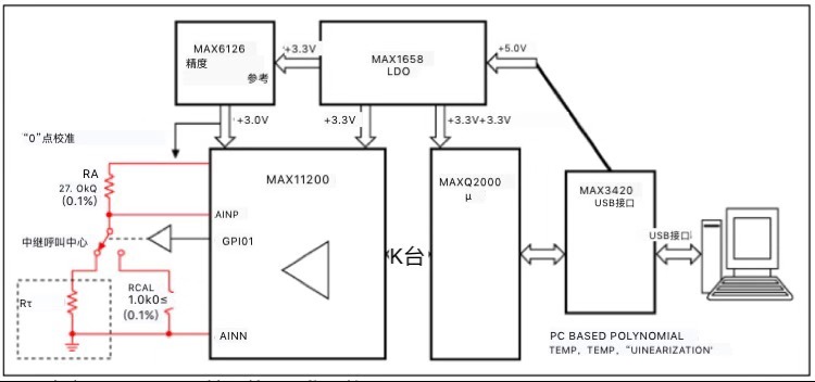
本文中用于测量的精密数据采集系统(DAS)的框图。基于低功能Δ-ΣADC,DAS包含简单校准和计算机生成线性化的功能。
如图所示,低功能Δ-ΣADC的GPIO1引脚设置为输出,用于控制继电器校准开关,选择固定的R CAL电阻或PRTD。这种多功能性提高了系统精度,并将所需的计算减少到R A和R T的初始值。