NTC热敏电阻的高灵敏度使其成为温度感测应用的理想选择。这些低成本NTC传感器通常用于-40℃至+ 300℃的温度范围。
NTC热敏电阻的选择标准是:
温度范围
电阻范围
测量精度
环境(周围介质)
响应时间
尺寸要求。
适用于温度测量的电路之一是惠斯通电桥,其中NTC热敏电阻用作一个桥臂。

具有作为差分放大器的运算放大器的温度感测桥。

简单温控电路

使用匹配的一对NTC热敏电阻的典型热检测器的电路图。

包括NTC热敏电阻和微控制器的电路的示例如下。

PC冷却风扇中NTC热敏电阻电路保护示例
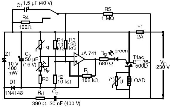
NTC热敏电阻温度传感器用作热敏开关
NTC热敏电阻温度传感器的常见用途是使用诸如μA741这样的运算放大器的热开关电路的桥臂之一。下图显示了用于冰箱恒温器的典型的热开关电路。该电路由10 VDC齐纳二极管稳压电源,惠斯通电桥(含NTC热敏电阻温度传感器)和控制三端双向程序组合的集成比较电路组成。该电路设计为在-5℃下切换2A的最大负载电流,并以+ 5C开启。

使用NTC温度传感器的冰箱恒温器